
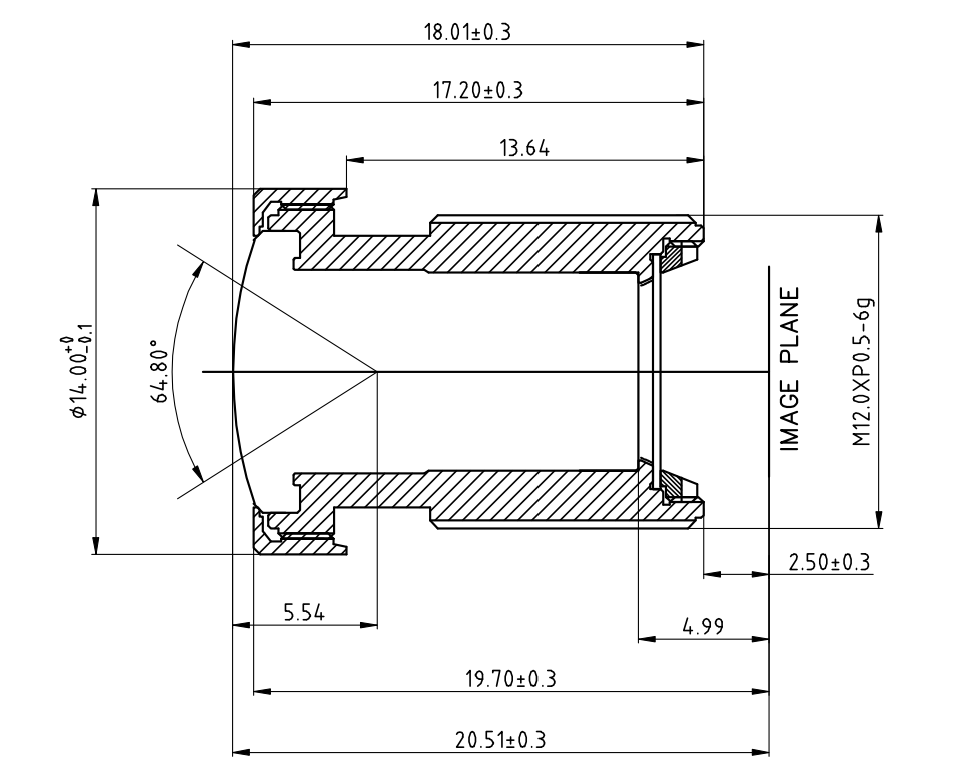
Low-distortion lens 2-Megapixel M12 mount CCTV with Built-In IR Filter, 6.0mm focal length, 65° diagonal field of view, and IP67 waterproof rating.
S06012705621F67 is Low-distortion lens 2-Megapixel M12 mount CCTV with Built-In IR Filter, 6.0mm focal length, 65° diagonal field of view, and IP67 waterproof rating.
| IMAGE FORMAT | 1/2.7″ |
| FOCAL LENGTH | 6.0mm |
| F.O.V. (AR0237) | 65°(D=6.67) |
| 56°(H=5.76) | |
| 31°(V=3.24) | |
| RESOLUTION | 2 MP |
| TV DISTORTION | <-2.9% |
| APERTURE | F2.1 |
| MOUNT | M12x0.5 |
| IRIS | Fixed |
| M.O.D. | 0.3m |
| T.T.L. | 20.51mm |
| STRUCTURE | 6G+IRCF |
| WATERPROOF | IP67 |
Download Specs Sheet
Online contact
| SENSOR | |
|---|---|
| E.F.L. | |
| H. F.O.V. | |
| RESOLUTION | |
| Max Dist. | |
| FNo. | |
| FEATURE | |
| MOUNT | |
| IRIS | |
| T.T.L.(mm) | |
| MARK |
Sending...
