

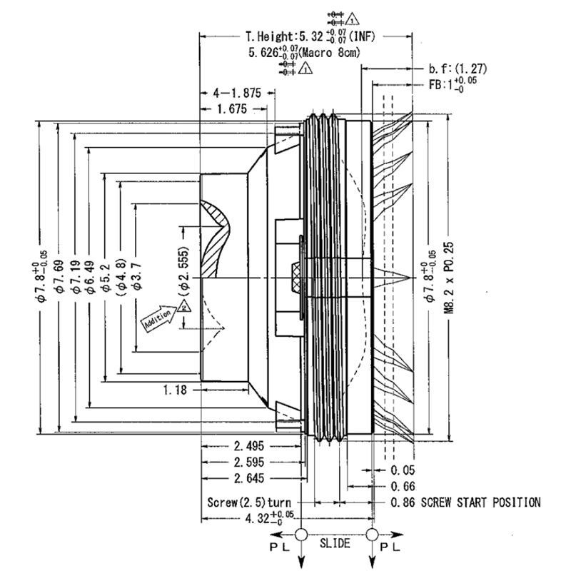
12.3-Megapixel wide-angle low-distortion lens for 1/2.3″ & 1/2.5″ image formats, with 78°/73° diagonal F.O.V., F1.8 aperture, M8.2×0.25 mount.
M804812306618 is 12.3-Megapixel wide-angle low-distortion lens for 1/2.3″ & 1/2.5″ image formats, with 78°/73° diagonal F.O.V., F1.8 aperture, M8.2×0.25 mount.
| IMAGE FORMAT | 1/2.3″, 1/2.5″ |
| FOCAL LENGTH | 4.8mm |
| F.O.V.@1/2.3″ | 78°(D=7.86) |
| 66°(H=6.28) | |
| 52°(V=4.72) | |
| F.O.V. @1/2.5″ | 73°(D=7.12) |
| 61°(H=5.70) | |
| 48°(V=4.28) | |
| RESOLUTION | 12.3 MP |
| TV DISTORTION | <1% |
| APERTURE | F1.8 |
| MOUNT | M8.2×0.25 |
| M.O.D. | 0.1m |
| T.T.L. | 5.32mm |
| F.B. | 1.0mm |
| STRUCTURE | 6P |
| CRA | <34.8° |
Download Specs Sheet
Online contact
| SENSOR | |
|---|---|
| E.F.L. | |
| H. F.O.V. | |
| RESOLUTION | |
| Max Dist. | |
| FNo. | |
| FEATURE | |
| MOUNT | |
| T.T.L.(mm) | |
| MARK |
Sending...
