
In fields such as security surveillance, industrial vision, and smart devices, the core competitiveness of visual systems is increasingly focusing on “precision perception” and “scene adaptability.” The 1/1.8-inch sensor strikes a golden balance between small-size (e.g., 1/2.7-inch) and large-size (e.g., 1-inch) options, ensuring compact installation space while delivering the light intake and resolution required for high-definition imaging. As an industrial standard threaded interface, the M12 connector has become the mainstream choice for linking lenses and sensors, thanks to its strong versatility, easy installation, and cost-effectiveness. The combination of these two technologies endows 1/1.8-inch M12 lenses with three core advantages: “high-definition performance,” “standardized compatibility,” and “multi-scene adaptability.” Perfectly aligning with the future development trend of visual systems—”miniaturization, high image quality, and low cost”—these lenses have emerged as core components in security surveillance, industrial inspection, smart terminals, and other fields.
What is an M12 Lens?
An M12 lens specifically refers to a small optical lens adopting the M12×0.5 threaded interface. Its interface standard originates from the standardization needs of industrial manufacturing—featuring uniform thread specifications and controllable installation precision, it can quickly adapt to mainstream small sensors such as 1/1.8-inch and 1/2-inch models. From an optical design perspective, the “industrial genes” of M12 lenses are reflected in three dimensions:
Its core features can be summarized as: standardized interface, miniaturized size, large-scale production, and practical functions—key factors driving the widespread adoption of M12 lenses in civilian security and industrial vision fields.

IR-corrected-Low-distortion-CCTV-16mm-M12-lens
In recent years, 1/1.8-inch sensors have achieved significant breakthroughs in multiple technical dimensions, enhancing imaging quality and expanding their application boundaries in industries, security, consumer electronics, and beyond.

Fisheye CCTV lens IR corrected 1/1.8″ M12 lens
The large sensor size design of 1/1.8-inch combined with multi-layer coating technology enables 5MP-class high-resolution imaging, while controlling the distortion rate within 0.1%. For example, Hikvision’s MVL-HF1228-05S lens can clearly capture micron-level defects in industrial inspection, with edge brightness attenuation of less than 10% to ensure image consistency.
The M12 standard interface (12mm diameter) and threaded mounting method reduce the lens size to Φ15.4×19.46mm and weight to only 7 grams. This design facilitates integration into space-constrained devices such as drones and action cameras. For instance, Zhisai’s MTV12MP5C lens maintains a 12mm focal length while being 60% lighter than traditional lenses.
By optimizing the optical structure, 1/1.8-inch M12 lenses can achieve a depth of field ranging from 0.1m to infinity at f/2.8 aperture. For example, United Optics’ 25mm focal length lens in industrial positioning scenarios can clearly capture nearby components while fully covering distant production lines, with a field of view of 40.7°×33°.
Optimized designs for different application scenarios:
M12 lenses adopt a standardized interface design, enabling quick adaptation to camera modules of different brands. For example, Zhonglian Kechuang’s MTV-MP5C series lenses are 40% more cost-effective than telecentric lenses while maintaining S-Mount interface compatibility, shortening equipment development cycles. Their modular nature reduces system integration costs by over 30%, accelerating the large-scale application of starlight-level products.
| Selection Factor | Scenario Classification | Recommended Lens Specifications |
| Surveillance Distance | Short-range (<5m) | Wide-angle lens (e.g., 2.8mm focal length) |
| Medium-range (5-20m) | Standard focal length (6-12mm) | |
| Long-range (>20m) | Telephoto lens (16mm+) | |
| Lighting Conditions | Low-light environments | Large aperture lens (e.g., F1.4) |
| Strong light environments | Lens with ND filter or small aperture (F2.8+) | |
| Installation Space | Compact space | Ultra-thin lens |
| Wide dynamic range scenes | Low-distortion lens |
Core Parameters: Focal length 3.2mm, diagonal FOV 154° (H:130°/V:90°), 12MP resolution, F2.0 aperture, distortion rate < -58%, structure 8G+IRCF, TTL=6.2mm
Core Advantages:
Application Scenarios: Indoor panoramic surveillance (e.g., shopping malls, meeting rooms, underground parking lots), VR visual collection, non-blind spot security deployment.

3.2mm F2.0 M12 Fisheye lens
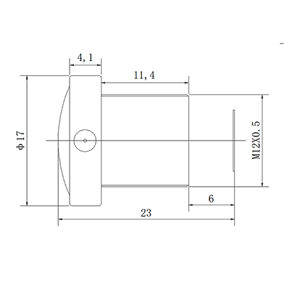
Core Parameters: Focal length 4.0mm, diagonal FOV 98° (H:85°/V:70°), 6MP resolution, F2.8 aperture, distortion rate < -0.4%, structure 2G2P+IRCF, TTL=21.8mm, minimum focusing distance 0.4m
Core Advantages:
Application Scenarios: Industrial vision inspection (e.g., part size measurement), precision security surveillance (e.g., road intersections, community entrances), scenarios requiring undistorted imaging.

Low distortion wide angle 4mm 85° M12 lens
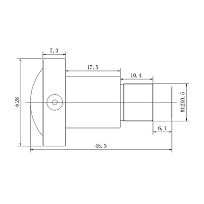
Core Parameters: Focal length 12mm, diagonal FOV 41° (H:33°/V:25°), 5MP resolution, F4.0 aperture, distortion rate < -1.5%, structure 6G, TTL=17.79mm, size Φ14×11.30mm
Core Advantages:
Application Scenarios: Remote equipment monitoring in industrial workshops, outdoor long-range observation (e.g., perimeter security), embedded vision systems for small devices.

1/1.8″ 12mm Achromatic low-distortion M12 lens
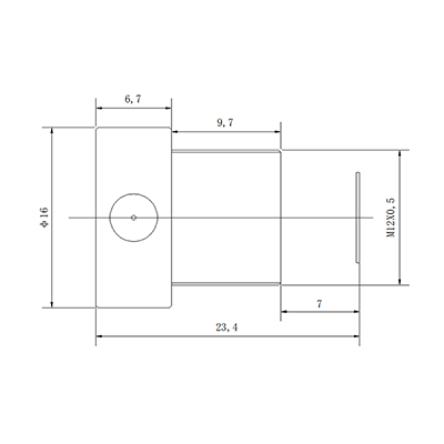
Core Parameters: Focal length 6mm, diagonal FOV 77° (H:60°/V:41°), 6MP resolution, F2.8 aperture, distortion rate < 0.5%, structure 3G2P+IRCF, TTL=23.2mm, minimum focusing distance 0.1m
Core Advantages:
Application Scenarios: Shop surveillance (close-range products + medium-range customers), close-range industrial part inspection, semi-enclosed space surveillance (e.g., community corridors, elevators).

1/1.8″ M12 F2.8 CCTV lens
Core Parameters: Focal length 4.0mm, diagonal FOV 135° (H:110°/V:73°), 6MP resolution, F1.8 large aperture, distortion rate < -35%, structure 6G+IRCF, TTL=23mm
Core Advantages:
Application Scenarios: Night security surveillance (e.g., community perimeters, parking lots), low-light environments (e.g., underground parking lots, tunnels), wide-angle coverage of large spaces (e.g., factories, warehouses).

135° wide-angle CCTV lens
Based on the characteristics of the 5 lenses, their application scenarios can be precisely divided into five categories:
| Lens Model | Focal Length | Resolution | Aperture | Distortion Rate | FOV (Diagonal) | Structure | TTL | Core Strengths |
| CCL118032MPF | 3.2mm | 12MP | F2.0 | < -58% | 154° | 8G+IRCF | 6.2mm | Ultra-wide panoramic coverage |
| CCL118040MPFR | 4.0mm | 6MP | F2.8 | < -0.4% | 98° | 2G2P+IRCF | 21.8mm | Ultra-low distortion precision |
| CCL11812MPR4 | 12mm | 5MP | F4.0 | < -1.5% | 41° | 6G | 17.79mm | Long-range observation |
| S06011806028F | 6mm | 6MP | F2.8 | < 0.5% | 77° | 3G2P+IRCF | 23.2mm | All-round security performance |
| CCL11804018MPF | 4.0mm | 6MP | F1.8 | < -35% | 135° | 6G+IRCF | 23mm | Low-light wide-angle imaging |
Is the M12×0.5 interface of M12 lenses universal?
Yes, M12×0.5 is an industry-unified standard thread. All 5 lenses can be directly adapted to all 1/1.8-inch M12 interface sensor modules without additional adapters.
Is higher distortion rate always worse?
Not necessarily. Distortion rate is a “trade-off” in optical design: fisheye lenses (e.g., CCL118032MPF) achieve extra-large FOV through high distortion, suitable for panoramic coverage; low-distortion lenses (e.g., CCL118040MPFR) are ideal for precision imaging scenarios. The choice depends on specific application needs.
What is the function of the IRCF (Infrared Cut Filter)?
It is mainly used to correct the impact of infrared light on imaging, avoiding color deviation in daytime images while ensuring clear images during night infrared supplementary lighting. All 5 lenses integrate this function, eliminating the need for additional installation.
Will fixed aperture and manual focus affect usability?
Fixed aperture lenses are optimized for light intake based on scenarios, requiring no manual adjustment; manual focus only needs one-time debugging during installation, with no subsequent maintenance—making them more suitable for mass-installed security and industrial scenarios.
Can 1/1.8-inch lenses be adapted to other sensor sizes?
Some lenses (e.g., CCL11812MPR4) are compatible with 1/2-inch and 2/3-inch sensors, but the best imaging effect is achieved with 1/1.8-inch sensors to avoid issues such as edge blurriness and FOV reduction.
1/1.8″ Low distortion 5-Megapixel lens
1/1.8-inch M12 lenses, with their core advantages of “standardized interface + high-definition performance + multi-scene adaptability,” are becoming the “standard core” in industrial vision, smart security, and other fields. The 5 lenses reviewed in this article cover core scenarios including panoramic coverage, precision imaging, long-range surveillance, low-light environments, and general security. From 12MP fisheye lenses to ultra-low distortion precision lenses, from F1.8 large apertures to 12mm telephoto lenses, users can select the most suitable lens based on specific needs to unlock more efficient and precise visual solutions.
For customized lens solutions or further technical consultations, please contact TOWIN’s professional team—we are committed to providing high-quality optical components tailored to your business needs.