

1/3.2″, 2.8mm, 97 degree wide angle M8 mount, IP67 waterproof automotive lens.
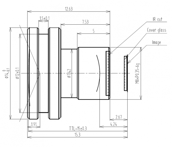
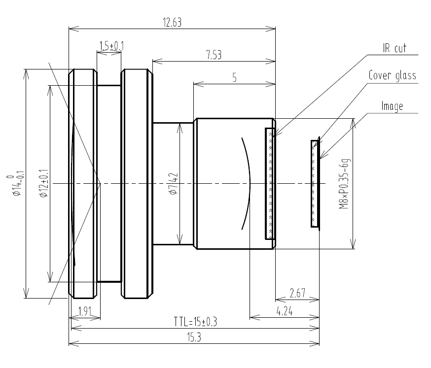
M802813209724F is a 2.8mm IP67 Automotive M8 Mount lens. It is designed for 1/3.2″ sensors, such as IMX179, AR0330. It is a 5 Mega Pixel HD lens. And it has very short T.T.L. 15mm.
| IMAGE FORMAT | 1/3.2″ |
| FOCAL LENGTH | 2.8mm |
| F.O.V. | 128° |
| 97° | |
| 71° | |
| RESOLUTION | 5 MP |
| TV DISTORTION | <-25% |
| APERTURE | F2.4 |
| MOUNT | M8x0.35 |
| IRIS | Fixed |
| M.O.D. | 0.1m |
| T.T.L. | 15.3mm |
| STRUCTURE | 6G+IRCF |
| MARK | IP67 |
M802813209724F 2.8mm IP67 Automotive M8 Mount lens
Download Specs Sheet
| SENSOR | |
|---|---|
| E.F.L. | |
| H. F.O.V. | |
| RESOLUTION | |
| Max Dist. | |
| FNo. | |
| IRIS | |
| MARK | |
| MOUNT | |
| T.T.L.(mm) | |
| FEATURE |
Sending...
