

Low-distortion 5-Megapixel M12-mount machine vision lens for 1/2.3″ and 1/3.2″ sensors, featuring 29° diagonal F.O.V., F2.9 aperture, and 0.1m MOD.
S16012302329 is Low-distortion 5-Megapixel M12-mount machine vision lens for 1/2.3″ and 1/3.2″ sensors, featuring 29° diagonal F.O.V., F2.9 aperture, and 0.1m MOD.
| IMAGE FORMAT | 1/2.3″ |
| FOCAL LENGTH | 16mm |
| F.O.V.@1/2.3 | 29°(D) |
| 23°(H) | |
| 17.5°(V) | |
| F.O.V. @1/3.2″ | 21.5°(D) |
| 17.5°(H) | |
| 13°(V) | |
| RESOLUTION | 5MP |
| DISTORTION | <-1% |
| APERTURE | F2.9 |
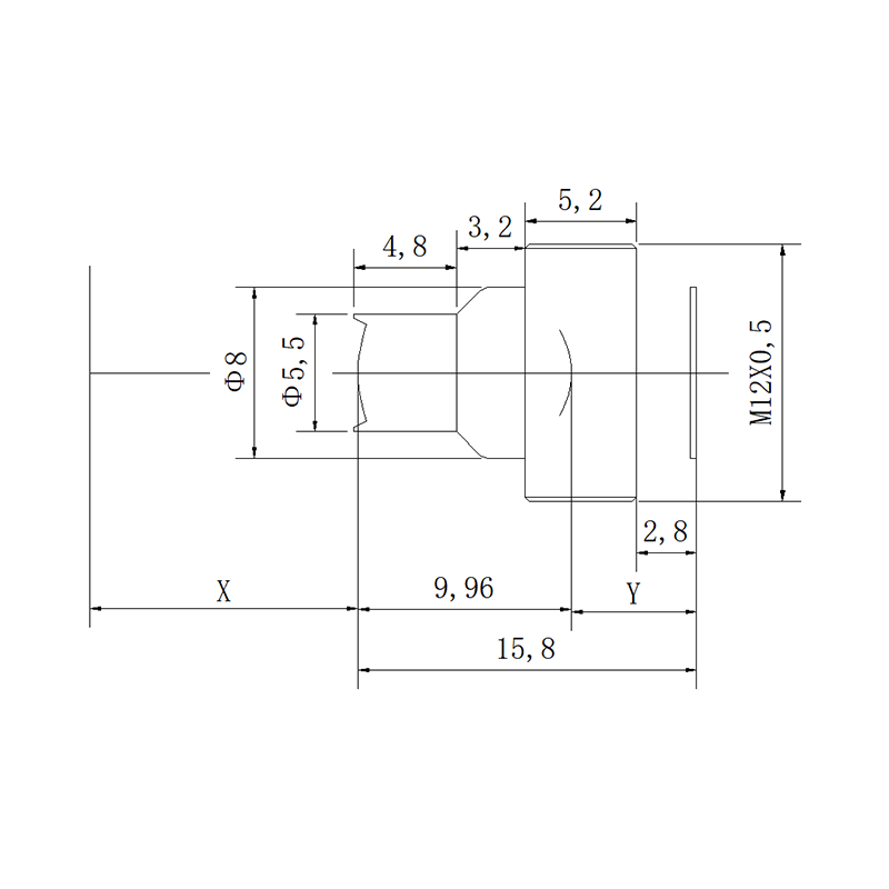
| MOUNT | M12X0.5 |
| IRIS | Fixed |
| M.O.D. | 0.1m |
| B.F.L. | 5.9mm |
| CONSTRUCTION | 4G |
Download Specs Sheet
Online contact
Sending...
