In the realm of covert surveillance, precision and discretion are paramount. The CCL13037PMPR, a 3.7mm 1/3″ HD CCTV M12 Pinhole lens, stands out as a premier choice for those seeking high-quality, hidden surveillance solutions.
Key Parameters
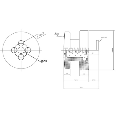
- Focal Length: The lens boasts a 3.7mm focal length, providing a wide field of view suitable for capturing detailed images in confined spaces.
- Image Format: With a 1/3″ image format, this lens ensures compatibility with a range of CCTV cameras, delivering high-definition footage.
- Mount Type: The M12 mount design facilitates easy installation and integration with various surveillance systems.
- Button Design: Its button-sized profile makes it ideal for covert operations, allowing for discreet placement without drawing attention.
| Description |
| IMAGE FORMAT | 1/3″ |
| FOCAL LENGTH | 3.7mm |
| F.O.V. | 92°(D) |
| 70°(H) |
| 55°(V) |
| RESOLUTION | MP |
| APERTURE | F2.5 |
| MOUNT | M12X0.5 |
| IRIS | Fixed |
| FOCUS | Manual |
| ZOOM | Fixed |
| TTL | 10.5 |
| M.O.D. | 0.2m |
Advantages
- High-Definition Clarity: The lens is engineered to deliver crisp, clear images, ensuring that every detail is captured with precision.
- Covert Surveillance: Its pinhole design enables hidden surveillance, making it perfect for situations where discretion is crucial.
- Versatile Application: Whether for security purposes in commercial settings or for private investigations, this lens adapts to various scenarios with ease.
- Easy Integration: The M12 mount simplifies the installation process, allowing for quick setup and minimal downtime.
| Additional information |
| SENSOR | 1/3″ |
| E.F.L. | 3.7mm |
| H. F.O.V. | 70° |
| FNo. | 2.5 |
| IRIS | Fixed |
| MOUNT | M12x0.5 |
| RESOLUTION | MP |
| T.T.L.(mm) | 10.5 |
| FEATURE | CCTV, Pinhole |
| MARK | HOT LENSES |
In conclusion, the 3.7mm 1/3″ HD CCTV M12 Pinhole lens is a testament to innovation in covert surveillance technology. Its combination of high-definition clarity, discreet design, and ease of integration makes it an indispensable tool for professionals in the field. For more information or to purchase, please visit the product page.