

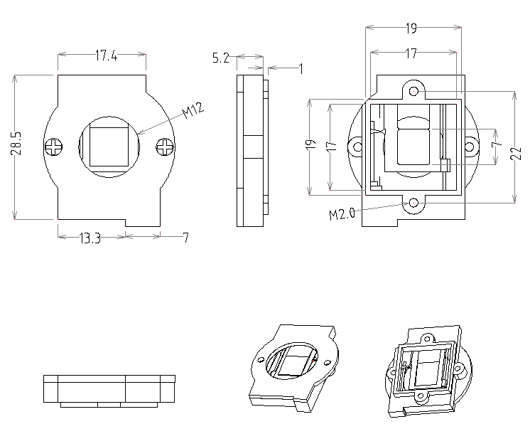
IR cut filter removable changer/switcher for day and night 1/1.8“ ”cameras
It is a IR cut filter removable changer/switcher for day and night cameras. It has large glass and filter design, so it good for large sensors ,such as 1/1.8″.
Download Specs Sheet
Sending...
