

In today’s rapidly evolving automotive industry, night vision technology has become an essential safety feature. Towin’s Automotive night vision lens transforms driver road perception, especially in low visibility like night or fog. Towin, a leading company in the field, offers state-of-the-art Automotive lens designed to improve safety, enhance driving comfort, and reduce the risk of accidents.
The Automotive night vision lens is a key component in modern automotive night vision systems. These lenses work in conjunction with infrared sensors to capture thermal radiation emitted by objects on the road, which is invisible to the human eye. The system processes data into a thermal image on the dashboard or windshield, aiding obstacle detection in low light. Towin’s Automotive night vision lens is specifically designed to provide high-definition, crisp images even in complete darkness, ensuring maximum visibility.

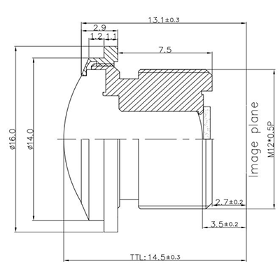
F1.8 IP68 waterproof Automotive Lens
Towin’s Automotive night vision lens employs advanced IR tech to detect object heat and process it into clear images. Unlike traditional headlights, which rely on visible light, infrared sensors can “see” in total darkness and through environmental obstacles like fog or heavy rain. This innovative technology significantly improves the driver’s visibility, especially in situations where traditional lighting falls short.
Towin’s night vision system operates in real-time, offering drivers a constant flow of vital image info. The system highlights risks in red or yellow, alerting drivers to urgent threats like pedestrians or animals.

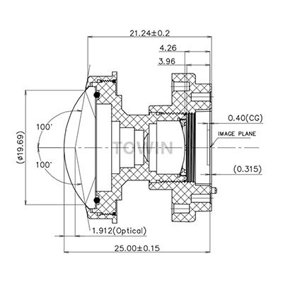
IP68 waterproof automotive Fisheye lens
How does an Automotive night vision lenses work?
The Automotive night vision lenses works by using infrared sensors to detect heat emitted by objects, converting this heat signature into a thermal image that is displayed on the vehicle’s screen. This allows drivers to see objects on the road even in complete darkness or poor visibility conditions.
Is the Automotive night vision lenses suitable for all vehicles?
Yes, Towin’s Automotive night vision lenses suit many vehicle models. They integrate easily into most modern ones, like luxury cars, trucks, and some older types.
How does the Automotive night vision lenses improve safety?
By providing clear visibility in low-light and night-time conditions, Towin’s Automotive night vision lenses helps drivers spot potential hazards, such as pedestrians, animals, and other vehicles, well before they would be visible using standard headlights. This extra time can make all the difference in preventing accidents.
Can I retrofit my vehicle with an Automotive night vision lenses?
Yes, Towin offers retrofit solutions that allow you to add an Automotive night vision lenses to an existing vehicle. This gives older models access to cutting-edge technology that can significantly improve road safety.
How durable is Towin’s Automotive night vision lenses?
Towin’s Automotive night vision lenses is built with durability in mind. It is designed to withstand harsh weather conditions such as rain, fog, and extreme temperatures, ensuring reliable performance throughout the year.

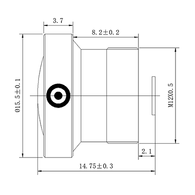
IP67 waterproof automotive lens
Towin’s Automotive night vision lens is a game-changer in the automotive industry, offering a powerful solution to enhance visibility and road safety. Whether you’re navigating through foggy streets, driving at night, or simply wanting to improve your driving experience, this advanced technology provides superior performance and peace of mind. With its high resolution, long detection range, and seamless integration into vehicles, Towin’s Automotive night vision lens is a must-have feature for any modern vehicle.