

With the rapid penetration of embedded vision technology in industrial automation, intelligent security, and consumer electronics, compact design has become a core requirement for embedded vision systems. As a critical component connecting image sensors and lenses, connector selection directly impacts system size, imaging quality, environmental adaptability, and costs.
M12 connectors and C-mounts are the two most commonly used connector types in the embedded vision field. The former is renowned for its compact and lightweight design and easy installation, while the latter holds a solid position due to its outstanding optical performance and broad compatibility.
This article analyzes the differences between M12 connectors and C-mounts from multiple dimensions, including basic connector knowledge, feature breakdown, size compatibility, performance comparison, environmental durability, optical performance, and application scenarios. It also provides targeted selection recommendations to help engineers and purchasers quickly identify the optimal connector solution for compact embedded vision systems.
The core function of a lens connector is to achieve mechanical fixation and optical alignment between the lens and the image sensor module. Its design specifications directly determine the lens compatibility range, installation method, and imaging accuracy. When selecting connectors for embedded vision systems, focus on these core indicators:

M12 Wide-angle CCTV Lens
With its compact structural design, M12 connectors have become the mainstream choice for compact embedded vision systems. Their core features and embedded adaptation potential are as follows:
M12 CCTV lens 3-Megapixel IR corrected
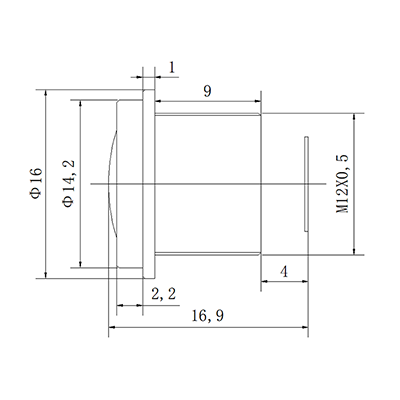
Size and installation space are the primary considerations for selecting compact embedded vision systems. The following table details the size parameters and installation space compatibility of M12 connectors and C-mounts:
| Comparison Dimension | M12 Connector | C-Mount |
| Connector diameter | 12mm | 25.4mm (1 inch) |
| Standard length | 10–20mm | 30–50mm |
| Thread specification | M12×0.5 (fine pitch) | 1-inch×32 (coarse pitch) |
| Required installation space | Minimal, fits system modules with diameter ≤20mm and length ≤30mm | Large, requires reserved installation space with diameter ≥30mm and length ≥60mm |
| Installation method | Manual tightening without additional tools; suitable for operation in narrow spaces | Requires a wrench for tightening; has certain requirements for operation space |
| Foolproof design | Widely equipped with positioning pins/keyways for high assembly fault tolerance | Foolproof design available on some models, but less popular than M12 connectors |
| Compatibility with compact systems | ★★★★★ | ★★★☆☆ |
The core parameters of C-mounts directly determine their adaptation potential in compact embedded vision systems. Analysis should be conducted from three dimensions—mechanical size, optical adaptation, and installation accuracy—combining the core requirements of compact systems: small size, high integration, and easy installation.
| C-Mount Core Parameter | Compact System Requirement | Adaptation Rating | Optimization Suggestions |
| Flange focal distance 17.526mm | Axial size ≤30mm | ★★☆☆☆ | Select short-BFL C-mount lenses or use flange focal distance compensation rings (note the impact on imaging quality) |
| Connector diameter 25.4mm | Radial size ≤20mm | ★☆☆☆☆ | Not recommended for adaptation; prioritize M12 connectors. If necessary, customize miniaturized C-mount adapters |
| Thread length 5mm | Fast installation & small installation space | ★★☆☆☆ | Select C-mount lenses with quick-locking structures to reduce thread engagement length |
| Load capacity ≤500g | Light system weight & simple structure | ★★★★☆ | Match lightweight C-mount lenses weighing ≤300g to simplify the system support structure |
The large diameter and long flange focal distance of C-mounts are inherently conflicting with the “small size” requirement of compact systems. C-mounts can only be adapted by selecting lightweight, short-BFL lenses when compact systems have high image quality requirements (e.g., 4K ultra-high definition, high-precision measurement) and installation space can be moderately relaxed (radial ≥30mm, axial ≥50mm). If the system has strict size constraints, the adaptability of C-mounts is far lower than that of M12 connectors.

20-35mm-20MP-C-mount-low distortion FA lens-lens
In embedded vision systems, in addition to mechanical fixation, some integrated connectors also need to undertake data transmission functions (e.g., M12 Ethernet connectors). The following compares the data transmission performance differences between the two connectors and their adaptability in embedded scenarios:
M12 connector:
C-mount:
| Scenario Requirement | Recommended Connector | Core Reason |
| Compact integration & integrated transmission | M12 connector | Integrated transmission function simplifies wiring and reduces system volume |
| High-speed & high-definition image transmission | M12 connector (Ethernet type) | Supports 10Gbps rate and has strong anti-interference capability |
| Traditional vision system & non-integrated transmission needs | C-mount | Compatible with traditional lenses and has controllable costs (additional transmission modules required) |
Industrial embedded vision systems often face harsh environments such as high temperature, low temperature, humidity, dust, and vibration. The environmental durability of connectors directly determines the long-term reliability of the system. The following compares the environmental adaptability of M12 and C-mounts:
| Environmental Indicator | M12 Connector | C-Mount |
| Protection rating | IP67/IP68 as standard; some models reach IP69K (resistant to high-pressure washing) | IP54/IP55 as standard; additional protective sleeves required to achieve IP67+ |
| Operating temperature range | -40℃~+85℃ (industrial grade) | -20℃~+70℃ (conventional); industrial-grade models can extend to -40℃~+85℃ but with high costs |
| Vibration resistance | Vibration frequency 10–2000Hz, acceleration 10g, high connection stability | Vibration frequency 10–1000Hz, acceleration 5g; additional reinforcement required for strong vibration scenarios |
| Corrosion resistance | Made of stainless steel/special plastic with strong resistance to acid, alkali, and oil pollution | Conventional material is aluminum alloy with general corrosion resistance; surface treatment required |
| Adaptability to industrial embedded scenarios | ★★★★★ | ★★★☆☆ |
Core Conclusion: In industrial embedded scenarios (e.g., automated production lines, outdoor monitoring, vision modules for mining equipment), M12 connectors have significantly better environmental adaptability than C-mounts and can work stably without additional protective measures. C-mounts need to be used with protective accessories, resulting in higher adaptation costs.

1.1″ C-Mount 8mm Low distortion Wide-angle lens
Optical performance is the core competitiveness of embedded vision systems. Connectors indirectly determine imaging quality by affecting lens compatibility range and optical alignment accuracy. The following compares the optical performance of M12 and C-mounts from three dimensions: focal length range, aperture size, and image quality.
M12 connector:
C-mount:
Aperture size determines lens light intake and depth of field, directly affecting low-light imaging quality and image sharpness:
| Connector Type | Maximum Aperture of Compatible Lenses | Low-Light Imaging Effect | Depth of Field Control Capability |
| M12 connector | f/1.2~f/2.0 (conventional); some professional models reach f/0.95 | Moderate light intake; noise easily occurs in low-light environments; supplementary lighting equipment required | Deep depth of field, suitable for close-range, wide-field inspection (e.g., flat surface defect inspection) |
| C-mount | f/0.7~f/1.2 (conventional); professional lenses reach f/0.5 | High light intake; excellent low-light imaging quality with good noise control | Flexible depth of field control; shallow depth of field (highlighting targets) can be achieved with large apertures, or deep depth of field (panoramic clarity) with small apertures |
Core image quality evaluation indicators include vignetting, geometric distortion, resolution, and contrast. The optical design precision of connectors directly affects these indicators:
Vignetting:
Geometric distortion:
Resolution and contrast:

12-120mm low-distortion C mount lens
Based on the above comparisons, the following divides the adaptation priorities of M12 and C-mounts according to application scenarios to facilitate quick selection:
Q1: Can M12 connectors and C-mounts be interchanged?
No, direct interchange is not possible due to different thread specs, flange focal distances, and sizes, preventing normal imaging. Special adapters (e.g., M12 to C-mount) enable compatibility but add system volume and may degrade image quality (e.g., worse vignetting), recommended only for temporary use.
Q2: Does M12 connector image quality meet industrial inspection needs in compact embedded systems?
It depends on requirements. Professional M12 lenses (≥200 lp/mm) suffice for general surface defects (scratches, stains, missing parts). For high-precision measurement (≤0.01mm) or micro-defects (micron-level scratches), M12 quality is limited; choose C-mount with high-resolution lenses.
Q3: Can M12 connectors withstand outdoor heavy rain?
Yes. Industrial M12 connectors typically have IP67/IP68 ratings: IP67 resists 1m water immersion for 30 mins, IP68 for deeper long-term use. Match lenses/sensors with the same protection to ensure system integrity.
Q4: How much more expensive are C-mount lenses than M12?
Typically 50%-200% more expensive. Conventional M12 lenses: tens-hundreds of yuan; professional M12: <1,000 yuan. C-mount lenses: hundreds-thousands of yuan; high-precision models: >10,000 yuan. C-mount systems also need extra data transmission modules, increasing costs.
Q5: What key indicators matter for embedded vision system selection besides connectors?
Key indicators: 1) Image sensor (resolution, frame rate, pixel size, spectral response); 2) Lens (focal length, aperture, FOV, depth of field); 3) System power consumption; 4) Software compatibility (algorithms, development platforms); 5) Long-term reliability (MTBF); 6) Cost budget (lenses, connectors, sensors).

M12 vs C-Mount
The core logic for selecting M12 connectors and C-mounts in compact embedded vision systems is “space first, image quality second”: If the system has strict size constraints, needs to adapt to harsh environments, or requires cost control, M12 connectors are the optimal choice; if high-precision measurement, long-distance imaging, or high image quality is required, and the installation space is sufficient, C-mounts are more advantageous.
In practical projects, it is recommended to make a comprehensive judgment based on the space constraints, image quality requirements, environmental conditions, and cost budget of specific application scenarios. When necessary, sample tests can be conducted to verify imaging quality and system compatibility.
If you are still unsure whether to choose the M12 or the C-Mount, please download our selection guide or consult our optical engineers.