Key Takeaways
- IP67 definition: Fully dust-tight + protected against immersion in 1m deep water for 30 minutes.
- Core features for underwater use: Low distortion, high resolution, built-in IRCF, waterproof sealing, and optimized FOV.
- Material requirements: Corrosion-resistant housing, sealed optical structure (e.g., 6G+IRCF), and pressure-resistant design.
- Key optical optimizations: Low distortion (<-9% max), wide aperture (F1.6-F3.6), and IR-compatible for low-light conditions.
- Applications: Underwater security, marine monitoring, industrial underwater inspection, and aquaculture surveillance.
- TOWIN recommended models: Cover 3.3mm-16mm focal lengths, 2MP-12MP resolution, and M12/M16 mounts.
- IP67 vs IP68: IP67 for 1m depth; IP68 for deeper/longer immersion (e.g., 1.5m+).
- Best practices: Pre-use seal checks, avoid exceeding depth limits, and regular lens cleaning.
Introduction
Underwater inspection plays a critical role in industries like marine engineering, aquaculture, industrial maintenance, and security. Harsh underwater environments—including water pressure, moisture, and low light—demand specialized imaging equipment. Waterproof IP67 lenses have emerged as a reliable solution, offering robust protection and optimized optical performance for clear, accurate underwater imaging.
TOWIN, a trusted provider of low-distortion and waterproof optical components, offers a range of IP67 (and IP68) rated lenses tailored to underwater inspection needs. This guide dives into IP67’s core definition, key features, material requirements, optical optimizations, applications, product recommendations, and best practices to help you make informed decisions.
IP67 Protection Rating: Core Definition
The IP (Ingress Protection) rating system classifies a product’s resistance to solid particles (dust) and liquids (water). For IP67, the two digits have specific meanings:
| IP Rating Component | Digit Meaning | IP67 Specific Protection |
| First Digit (Dust) | 0-6 (6 = highest) | 6: Fully dust-tight; no dust can enter the lens housing. |
| Second Digit (Water) | 0-8 (8 = highest) | 7: Protected against temporary immersion in water (1m depth for up to 30 minutes). |
Key Note: IP67 lenses are not designed for permanent underwater use or depths exceeding 1m. For deeper immersion (e.g., 1.5m+), IP68 is required (see Section 8 for details).
Core Features of IP67 Lenses for Underwater Inspection
TOWIN’s Waterproof IP67 lenses integrate features specifically optimized for underwater imaging challenges. Here are the non-negotiable traits:
- Low Distortion: TV distortion ranges from <-2% to <-9%, ensuring accurate object shape reproduction (critical for measurement/inspection tasks).
- High Resolution: 2MP to 12MP options, delivering sharp details for identifying defects, marine life, or security threats.
- Built-In IRCF (Infrared Cut Filter): Blocks infrared light to reduce glare and improve color accuracy in underwater environments.
- Fixed Iris/Aperture: Stable light transmission (F1.6-F3.6) for consistent exposure, even in variable underwater light conditions.
- Standard Mounts: M12x0.5 (most models) or M16x0.5, compatible with mainstream underwater cameras and housings.
- Optimized Focal Lengths: 3.3mm-16mm options, covering wide-angle (85°-90°) for large areas and medium focal lengths (8mm-16mm) for long-distance inspection.
- Pressure-Resistant Structure: Sealed optical design (e.g., 6G+IRCF, 3G1P+IRCF) to withstand underwater pressure without leaks.
3. Material Requirements for Underwater Inspection Scenarios
Underwater environments expose lenses to water pressure, corrosion, and temperature fluctuations. TOWIN’s IP67 lenses meet strict material standards:
- Housing Material: Corrosion-resistant metal (e.g., aluminum alloy) to withstand saltwater, freshwater, and industrial chemicals.
- Sealing Components: High-quality rubber O-rings or silicone seals to prevent water ingress at the mount and lens edges.
- Optical Structure: Multi-glass lens elements (G) + IRCF, ensuring durability and optical clarity (avoiding plastic lenses that degrade underwater).
- Pressure-Resistant Design: Rigid housing and reinforced optical paths to handle 1m water pressure (equivalent to 0.1 bar).
4. Optical Performance Optimization Strategies for IP67 Lenses
Underwater light scattering, low visibility, and color distortion require targeted optical optimizations. TOWIN’s lenses address these with:
- Low Distortion Design: Minimizes barrel/pincushion distortion (max distortion <6% for wide-angle models), critical for precise underwater measurements.
- Wide Aperture (F1.6-F2.6): Larger apertures (e.g., F1.6 in S16011703016F67) allow more light to enter, improving image quality in low-light underwater conditions.
- Resolution Matching: 2MP-12MP resolution options to pair with high-sensitivity underwater sensors (e.g., 12MP S06012006436F67 for ultra-detailed inspection).
- FOV Optimization:
- Wide-angle (85°-90°): Ideal for large-area monitoring (e.g., aquaculture ponds, underwater tanks).
- Medium FOV (35°-65°): Suitable for long-distance inspection (e.g., underwater pipelines, marine structures).
- IRCF Integration: Reduces infrared-induced glare and enhances color fidelity, even in murky water.

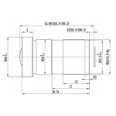
2.2mm IP67 M12 waterproof CCTV lens
5. Underwater Inspection Application Scenarios
Waterproof IP67 lenses are versatile across industries, including:
- Underwater Security Surveillance: Monitoring ports, docks, and underwater facilities to prevent theft or trespassing (use wide-angle models like S03314007022F).
- Marine Environment Monitoring: Tracking coral reefs, marine life, and water quality (high-resolution models like S06012006436F67).
- Industrial Underwater Inspection: Checking pipelines, ship hulls, and underwater equipment for defects or corrosion (medium-focal-length models like S16011703016F67).
- Underwater Engineering Acceptance: Inspecting underwater construction projects (e.g., bridges, tunnels) for compliance (low-distortion models like S06012705621F67).
- Aquaculture Surveillance: Monitoring fish stocks, tank conditions, and feeding patterns (wide-angle, IP67/IP68 models like S03414007026F).
6. TOWIN Waterproof IP67 Lens Recommendations
All the following 5 TOWIN lenses hold IP67 waterproof certification (capable of being submerged in 1m deep water for 30 minutes without water ingress), making them ideal for shallow underwater inspection scenarios. Featuring low distortion and high adaptability, they can be selected based on specific needs such as inspection distance, clarity requirements, and field of view coverage:
1. Top Choice for High-Resolution Detail Inspection: S06012006436F67
Core Specifications
- Resolution: 12 Megapixels (high-definition, excellent detail reproduction)
- Focal Length: 6mm (medium focal length, balancing near and far fields)
- Field of View (FoV): 81°(Diagonal)/64°(Horizontal) with 1/2″ sensor; 78°(Diagonal)/62°(Horizontal) with 1/2.3″ sensor
- Distortion Control: ≤-2.9% (low distortion, no obvious image stretching)
- Aperture: F3.6 (suitable for well-lit environments)
- Minimum Object Distance (MOD): 0.2m (supports close-range detail capture)
- Mount: M12x0.5 (universal for security/inspection equipment)
- Structure: 6G+IRCF (built-in IR filter, compatible with IR supplementary lighting)
Advantages & Application Scenarios
- Outstanding Advantages: Boasting the highest resolution (12MP) among the 5 models, it can accurately restore fine details such as underwater equipment failures, biological features, and object textures.
- Ideal For: Underwater equipment maintenance, underwater biological observation, high-precision object shape inspection (e.g., wear detection of underwater components, detail recording of corals/aquatic organisms).

Low-distortion 12-Megapixel Waterproof IP67 lenses
2. Precision Inspection for Long-Distance & Low-Light Environments: S16011703016F67
Core Specifications
- Resolution: 8 Megapixels (high-definition)
- Focal Length: 16mm (telephoto, long-distance focusing)
- Field of View (FoV): 35°(Diagonal)/30°(Horizontal)/17°(Vertical) (narrow FoV for precise target locking)
- Distortion Control: ≤-2% (lowest distortion among the 5 models, ultra-high imaging accuracy)
- Aperture: F1.6 (super large aperture, optimal light transmission)
- Mount: M16x0.5 (stable installation, compatible with industrial-grade equipment)
- Structure: 8G+IRCF (multi-lens group for purer image quality)
Advantages & Application Scenarios
- Outstanding Advantages: Telephoto focal length + large aperture + ultra-low distortion, balancing long-distance focusing and low-light imaging (especially effective in weak underwater light).
- Ideal For: Long-distance underwater target monitoring (e.g., inspection of underwater fences and bridge piers), high-precision measurement in low-light environments (e.g., object size and spacing judgment).

Low-distortion 8-Megapixel Waterproof IP67 lenses
3. Wide-Angle & Close-Range Large-Area Scanning: S03314007022F
Core Specifications
- Resolution: High-definition (specific value not marked, suitable for standard monitoring-level inspection)
- Focal Length: 3.3mm (short focal length, ultra-wide angle for wide coverage)
- Field of View (FoV): 85°(Diagonal)/70°(Horizontal)/45°(Vertical) (largest FoV among the 5 models)
- Minimum Object Distance (MOD): 0.1m (ultra-close focusing, industry-leading)
- Aperture: F2.2 (sufficient light transmission, suitable for low light)
- Distortion Control: ≤-7% (slightly higher but does not affect large-area scene judgment)
- Mount: M12x0.5 (universal interface for easy installation)
Advantages & Application Scenarios
- Outstanding Advantages: Ultra-wide FoV + ultra-close focusing, enabling quick coverage of large underwater areas or capture of close-range targets.
- Ideal For: Internal scanning of underwater caves, large-area underwater inspection (e.g., exploration of pond/shallow seabed environments), close-range small object detection (e.g., searching for underwater parts).

3.3mm Low Distortion CCTV lens
4. Balanced Choice for General-Purpose Inspection: S06012705621F67
Core Specifications
- Resolution: 2 Megapixels (basic high-definition, meeting standard monitoring needs)
- Focal Length: 6mm (medium focal length, high versatility)
- Field of View (FoV): 65°(Diagonal)/56°(Horizontal)/31°(Vertical) (medium FoV, balancing coverage and focusing)
- Distortion Control: ≤-2.9% (low distortion, stable imaging)
- Aperture: F2.1 (moderate light transmission, suitable for most underwater light conditions)
- Minimum Object Distance (MOD): 0.3m (standard close-range inspection)
- Mount: M12x0.5 (universal for security equipment)
Advantages & Application Scenarios
- Outstanding Advantages: Balanced parameters and high cost-effectiveness, suitable for general underwater inspection without special requirements.
- Ideal For: Standard underwater area monitoring (e.g., swimming pool safety inspection, shallow marine aquaculture area monitoring), general object presence detection (no need for detail restoration).

Low-distortion lens 2-Megapixel
5. Automotive-Grade Durability for Mid-Range Inspection: S08012504020F67
Core Specifications
- Resolution: 5 Megapixels (high-definition, balancing clarity and storage cost)
- Focal Length: 8mm (mid-telephoto, mid-to-long distance focusing)
- Field of View (FoV): 50°(Diagonal)/40°(Horizontal)/30°(Vertical) (narrower than 6mm focal length, more concentrated focusing)
- Distortion Control: ≤-9% (slightly higher, suitable for scenarios with non-strict shape accuracy requirements)
- Aperture: F2.0 (moderate light transmission)
- Minimum Object Distance (MOD): 0.2m (mid-to-close range adaptation)
- Feature: Automotive-grade design (stronger shock resistance and environmental durability)
Advantages & Application Scenarios
- Outstanding Advantages: Automotive-grade durability, suitable for complex underwater environments (e.g., slight water flow impact, temperature fluctuations).
- Ideal For: Underwater mobile equipment-mounted inspection (e.g., underwater robot matching), long-term monitoring of outdoor shallow water environments (e.g., river shoal inspection).

8mm low distortion lens
Selection Summary Table
| Product Model | Core Highlights | Priority Application Scenarios |
| S06012006436F67 | 12MP High Resolution | Detail Inspection, Precision Observation |
| S16011703016F67 | Telephoto + Large Aperture + Ultra-Low Distortion | Long-Distance, Low-Light Precision Inspection |
| S03314007022F | Ultra-Wide Angle + Ultra-Close Focusing | Large-Area Scanning, Close-Range Capture |
| S06012705621F67 | Balanced Parameters, High Cost-Effectiveness | Standard Monitoring, General-Purpose Inspection |
| S08012504020F67 | Automotive-Grade Durability | Mobile Equipment Mounting, Complex Environment Long-Term Monitoring |
Important Notes
- 1. All products are IP67 waterproof, designed exclusively for shallow underwater inspection (recommended water depth ≤1m). Additional waterproof housing is required for deep-water environments.
- 2. Equipped with built-in IR filters, they can be used with IR supplementary lights to enhance imaging effects in low-light underwater environments.
- 3. All lenses feature standard M12/M16 mounts. Please confirm the interface compatibility of your inspection equipment and use adapters if necessary.
7. Best Practices for Using IP67 Lenses Underwater
To maximize performance and lifespan:
- Pre-Use Seal Check: Inspect O-rings and seals for damage or debris before immersion.
- Avoid Exceeding Depth Limits: IP67 lenses are only for 1m depth (30 minutes max). Use IP68 for deeper applications.
- Clean the Lens Surface: Wipe the lens with a microfiber cloth before/after use to remove water spots, algae, or sediment.
- Leverage IRCF: Ensure the built-in IRCF is enabled to reduce glare in sunny or murky water.
- Secure Mounting: Use compatible M12/M16 camera housings to prevent loosening under water pressure.
- Post-Use Maintenance: Dry the lens thoroughly and store in a cool, dry place to prevent corrosion.
8. IP67 vs IP68: Choosing the Right Underwater Rating
For underwater inspection, selecting the correct IP rating depends on depth and immersion time:
| Feature | IP67 | IP68 |
| Water Protection | 1m depth, 30 minutes (temporary immersion) | ≥1.5m depth, continuous immersion (varies by model) |
| Ideal Scenarios | Shallow-water inspection (e.g., ponds, shallow tanks, near-shore security) | Deep-water inspection (e.g., marine engineering, offshore structures, deep aquaculture) |
| TOWIN Model Example | S06012705621F67, S06012006436F67 | S03414007026F |
| Cost | More budget-friendly | Slightly higher (due to enhanced sealing) |
Recommendation: Choose IP67 for most shallow-water inspection tasks. Opt for IP68 if you need to immerse the lens deeper than 1m or for extended periods.
FAQs
Q: How long can an IP67 lens stay underwater?
A: Up to 30 minutes at 1m depth. Exceeding this risks water ingress.
Q: Do IP67 lenses support infrared night vision?
A: Yes – all TOWIN models have built-in IRCF, which can be paired with IR illuminators for low-light/night underwater use.
Q: Why is low distortion important for underwater inspection?
A: Distortion warps object shapes, leading to inaccurate measurements or defect detection. TOWIN’s lenses have <-2% to <-9% distortion for reliability.
Q: Can I use an IP67 lens in saltwater?
A: Yes – the corrosion-resistant metal housing and seals are designed for saltwater and freshwater environments.
Q: How to choose the right focal length?
A: Wide-angle (3.3mm-3.4mm) for large areas; medium (6mm-8mm) for balanced range/FOV; long (16mm) for long-distance targets.
10. Conclusion
Waterproof IP67 lenses are essential for reliable underwater inspection, offering robust protection, low distortion, and optimized optical performance. TOWIN’s range of IP67 (and IP68) lenses covers diverse needs—from wide-angle surveillance to high-resolution defect detection—with compatible mounts, durable materials, and industry-leading specs.
Whether you’re inspecting industrial equipment, monitoring aquaculture, or securing shallow-water areas, TOWIN’s lenses deliver clarity and durability. For personalized recommendations or technical support, visit TOWIN Lens or contact their sales team today.